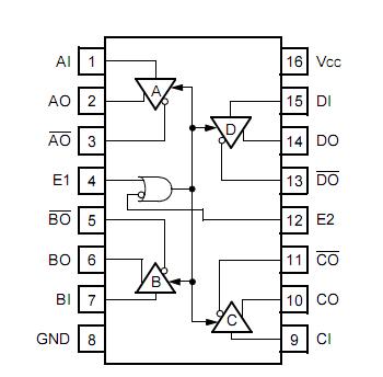
Product Summary
The BDG1A16G is a quad differential driver. The BDG1A16G is equivalent to the BDG1A but has 220Ω termination resistors to ground on each driver output. The BDG1A16G combines the features of the BPNGA and BPNPA.
Parametrics
BDG1A16G absolute maximum ratings: (1) Power Supply Voltage VCC: 6.5V; (2) Ambient Operating Temperature TA: -40 to 125°C; (3) Storage Temperature Tstg: -55 to 150°C.
Features
BDG1A16G features: (1) Pin-equivalent to the general-trade 26LS31 device, with improved speed, reduced power consumption, and significantly lower levels of EMI; (2) Four line drivers per package; (3) Meets ESDI standards; (4) 2.0 ns maximum propagation delay; (5) Single 5.0V ±10% supply; (6) High output driver for 50Ω loads; (7) Available in four package types; (8) ESD performance better than the 41 Series; (9) Lower power requirement than the 41 Series; (10) Third-state outputs available.
Diagrams

![]() |
![]() BDG1A |
![]() Other |
![]() |
![]() Data Sheet |
![]() Negotiable |
|
||||
(China (Mainland))








