Product Summary
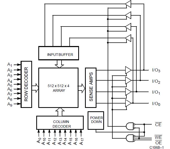
The CY7C106B-15VCT is a high-performance CMOS static RAM organized as 262,144 words by 4 bits. Easy memory expansion is provided by an active LOW Chip Enable (CE), an active LOW Output Enable (OE), and three-state drivers. The CY7C106B-15VCT has an automatic power-down feature that reduces power consumption by more than 65% when the devices are deselected. Writing to the devices is accomplished by taking Chip Enable (CE) and Write Enable (WE) inputs LOW. Data on the four I/O pins (I/O0 through I/O3) is then written into the location specified on the address pins (A0 through A17).
Parametrics
CY7C106B-15VCT absolute maximum ratings: (1)Storage Temperature: -65℃ to +150℃; (2)Ambient Temperature with Power Applied: -55℃ to +125℃; (3)Supply Voltage on VCC Relative to GND: -0.5V to +7.0V; (4)DC Voltage Applied to Outputs in High Z State: -0.5V to VCC + 0.5V; (5)DC Input Voltage: -0.5V to VCC + 0.5V; (6)Current into Outputs (LOW): 20 mA; (7)Static Discharge Voltage: >2001V; (8)Latch-Up Current: >200 mA.
Features
CY7C106B-15VCT features: (1)High speed, tAA = 12 ns; (2)CMOS for optimum speed/power; (3)Low active power, 495 mW; (4)Low standby power, 275 mW; (5)2.0V data retention (optional), 100μW; (6)Automatic power-down when deselected; (7)TTL-compatible inputs and outputs.
Diagrams

| Image | Part No | Mfg | Description | ![]() |
Pricing (USD) |
Quantity | ||||||||||||
|---|---|---|---|---|---|---|---|---|---|---|---|---|---|---|---|---|---|---|
![]() |
![]() CY7C106B-15VCT |
![]() Other |
![]() |
![]() Data Sheet |
![]() Negotiable |
|
||||||||||||
| Image | Part No | Mfg | Description | ![]() |
Pricing (USD) |
Quantity | ||||||||||||
![]() |
![]() CY7C006 |
![]() Other |
![]() |
![]() Data Sheet |
![]() Negotiable |
|
||||||||||||
![]() |
![]() CY7C006A |
![]() Other |
![]() |
![]() Data Sheet |
![]() Negotiable |
|
||||||||||||
![]() |
![]() CY7C006A-15AXC |
![]() Cypress Semiconductor |
![]() SRAM 5V 16Kx8 COM Dual Port SRAM |
![]() Data Sheet |
![]() Negotiable |
|
||||||||||||
![]() |
![]() CY7C006A-15AXCT |
![]() Cypress Semiconductor |
![]() SRAM 5V 16Kx8 COM Dual Port SRAM |
![]() Data Sheet |
![]() Negotiable |
|
||||||||||||
![]() |
![]() CY7C006A-20AC |
![]() |
![]() IC SRAM 16KX8 DUAL 64LQFP |
![]() Data Sheet |
![]() Negotiable |
|
||||||||||||
![]() |
![]() CY7C006A-20AXC |
![]() Cypress Semiconductor |
![]() SRAM 5V 16Kx8 COM Dual Port SRAM |
![]() Data Sheet |
![]()
|
|
||||||||||||
(China (Mainland))











