Product Summary
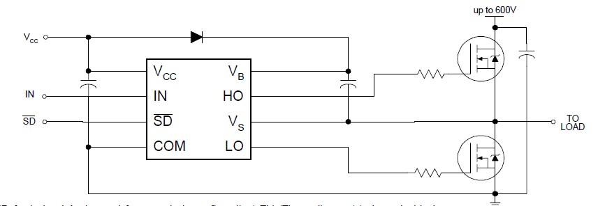
The IR2104STRPBF is a half-bridge driver. The IR2104STRPBF is a high voltage, high speed power MOSFET and IGBT driver with dependent high and low side referenced output channels. Proprietary HVIC and latch immune CMOS technologies enable ruggedized monolithic construction. The logic input of the IR2104STRPBF is compatible with standard CMOS or LSTTL output, down to 3.3V logic. The output drivers feature a high pulse current buffer stage designed for minimum driver cross-conduction. The floating channel can be used to drive an N-channel power MOSFET or IGBT in the high side configuration which operates from 10 to 600 volts.
Parametrics
IR2104STRPBF absolute maximum ratings: (1)VB High side floating absolute voltage: -0.3 to 625v; (2)VS High side floating supply offset voltage: VB - 25 to VB + 0.3v; (3)VHO High side floating output voltage VS: - 0.3 to VB + 0.3v; (4)VCC Low side and logic fixed supply voltage: -0.3 to 25v; (5)VLO Low side output voltage: -0.3 to VCC + 0.3v; (6)VIN Logic input voltage (IN & SD): -0.3 to VCC + 0.3v; (7)dVs/dt Allowable offset supply voltage transient: 50 V/ns; (8)PD Package power dissipation @ TA ≤ +25℃ (8 lead PDIP): 1.0w, (8 lead SOIC): 0.625w; (9)TJ Junction temperature: 150℃; (10)TS Storage temperature: -55 to 150℃; (11)TL Lead temperature (soldering, 10 seconds): 300℃.
Features
IR2104STRPBF features: (1)Floating channel designed for bootstrap operation Fully operational to +600V Tolerant to negative transient voltage dV/dt immune; (2)Gate drive supply range from 10 to 20V; (3)Undervoltage lockout; (4)3.3V, 5V and 15V input logic compatible; (5)Cross-conduction prevention logic; (6)Internally set deadtime; (7)High side output in phase with input; (8)Shut down input turns off both channels; (9)Matched propagation delay for both channels; (10)Also available LEAD-FREE.
Diagrams

| Image | Part No | Mfg | Description | ![]() |
Pricing (USD) |
Quantity | ||||||||||||
|---|---|---|---|---|---|---|---|---|---|---|---|---|---|---|---|---|---|---|
![]() |
![]() IR2104STRPBF |
![]() International Rectifier |
![]() Power Driver ICs Hlf Brdg Drvr 1 Inpt + Invrt ShutDwn Pin |
![]() Data Sheet |
![]()
|
|
||||||||||||
| Image | Part No | Mfg | Description | ![]() |
Pricing (USD) |
Quantity | ||||||||||||
![]() |
![]() IR2101 |
![]() |
![]() IC DRIVER HIGH/LOW SIDE 8-DIP |
![]() Data Sheet |
![]() Negotiable |
|
||||||||||||
![]() |
![]() IR2101(S) |
![]() Other |
![]() |
![]() Data Sheet |
![]() Negotiable |
|
||||||||||||
![]() |
![]() IR21014 |
![]() International Rectifier |
![]() IC DRIVER HIGH/LOW SIDE 14-DIP |
![]() Data Sheet |
![]() Negotiable |
|
||||||||||||
![]() |
![]() IR21014S |
![]() International Rectifier |
![]() IC DRIVER HIGH/LOW SIDE 14-SOIC |
![]() Data Sheet |
![]() Negotiable |
|
||||||||||||
![]() |
![]() IR2101PBF |
![]() International Rectifier |
![]() Power Driver ICs |
![]() Data Sheet |
![]()
|
|
||||||||||||
![]() |
![]() IR2101S |
![]() |
![]() IC DRIVER HIGH/LOW SIDE 8-SOIC |
![]() Data Sheet |
![]() Negotiable |
|
||||||||||||
(China (Mainland))












