Product Summary
The TL032AIDR is a JFET-input operational amplifier offers improved dc and ac characteristics. The TL032AIDR is fully specified at ± 15V and ±5V. The TL032AIDR is designed for use with dual power supplies, care must be taken to bserve common-mode input-voltage limits and output swing when operating from a single supply.
Parametrics
TL032AIDR absolute maximum ratings: (1) Supply voltage (see Note 1) VCC+: 18V, VCC-: -18V; (2) Differential input voltage, VID: ±30V; (3) Input voltage, VI (any input) : ±15V; (4) Input current, II (each input) : ±1mA; (5) Output current, IO (each output) : ±40mA; (6) Total current into VCC+: 160mA; (7) Total current out of VCC-: 160mA; (8) Duration of short-circuit current at (or below) 25°C: Unlimited; (9) Storage temperature range, Tstg: -65 to 150°C.
Features
TL032AIDR features: (1) Direct Upgrades for the TL06x Low-Power BiFETs; (2) Low Power Consumption: 6.5mW/Channel Typ; (3) On-Chip Offset-Voltage Trimming for Improved DC Performance (1.5 mV, TL031A) ; (4) Higher Slew Rate and Bandwidth Without Increased Power Consumption; (5) Available in TSSOP for Small Form-Factor Designs.
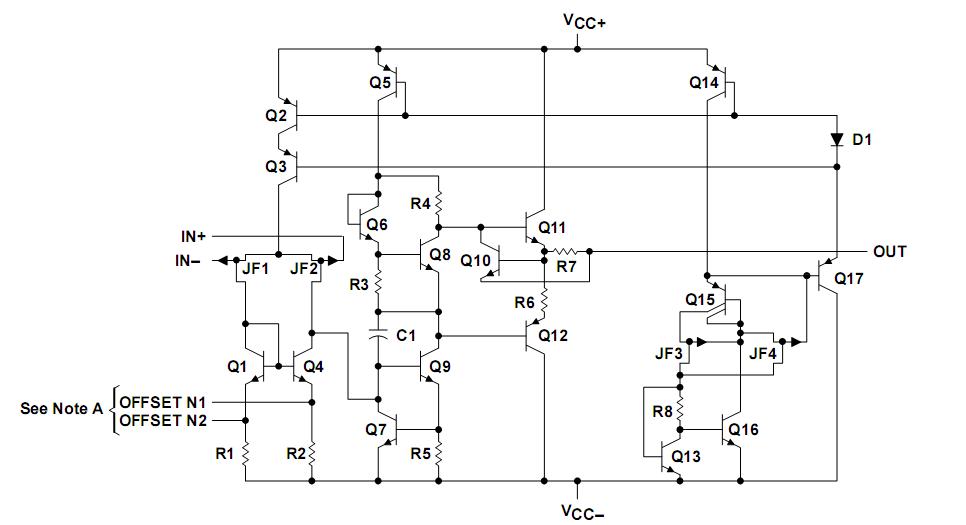
Diagrams

| Image | Part No | Mfg | Description | ![]() |
Pricing (USD) |
Quantity | ||||||||||||
|---|---|---|---|---|---|---|---|---|---|---|---|---|---|---|---|---|---|---|
![]() |
![]() TL032AIDR |
![]() Texas Instruments |
![]() Operational Amplifiers - Op Amps Enhanced-JFET Lo-Pwr Low-Offset Dual |
![]() Data Sheet |
![]()
|
|
||||||||||||
![]() |
![]() TL032AIDRE4 |
![]() Texas Instruments |
![]() Operational Amplifiers - Op Amps Enhanced-JFET Lo-Pwr Low-Offset Dual |
![]() Data Sheet |
![]()
|
|
||||||||||||
![]() |
![]() TL032AIDRG4 |
![]() Texas Instruments |
![]() Operational Amplifiers - Op Amps Enh-JFET Lo-Pwr Lo- Offset Dual Op Amp |
![]() Data Sheet |
![]()
|
|
||||||||||||
(China (Mainland))









