Product Summary
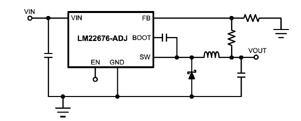
The LM22676MRX-ADJ/NOPB is a 3A simple switcher step-down voltage regulator with precision enable. The LM22676MRX-ADJ/NOPB is monolithic integrated circuit which provide all of the active functions for a stepdown (buck) switching regulator capable of driving up to 3A loads with excellent line and load regulation characteristics. High efficiency (>90%) is obtained through the use of a low ON-resistance N-channel MOSFET. The LM22676MRX-ADJ/NOPB consists of a fixed 5V output and an adjustable version.
Parametrics
LM22676MRX-ADJ/NOPB absolute maximum ratings: (1)VIN to GND: 43V; (2)EN Pin Voltage: -0.5V to 6V; (3)SW to GND: -5V to VIN; (4)BOOT Pin Voltage VSW: + 7V; (5)FB Pin Voltage: -0.5V to 7V; (6)Power Dissipation: Internally Limited; (7)Junction Temperature: 150°C; (8)Soldering Information Infrared (5 sec.): 260°C; (9)ESD Rating Human Body Model: ±2 kV; (10)Storage Temperature Range: -65°C to +150°C; (11)Supply Voltage (VIN): 4.5V to 42V; (12)Junction Temperature Range: -40°C to +125°C.
Features
LM22676MRX-ADJ/NOPB features: (1)Wide input voltage range: 4.5V to 42V; (2)Internally compensated voltage mode control; (3)Stable with low ESR ceramic capacitors; (4)120 mΩ N-channel MOSFET TO-263 THIN package; (5)100 mΩ N-channel MOSFET PSOP-8 package; (6)Output voltage options: -ADJ (outputs as low as 1.285V)-5.0 (output fixed to 5V); (7)±1.5% feedback reference accuracy; (8)Switching frequency of 500 kHz; (9)-40°C to 125°C operating junction temperature range; (10)Precision enable pin; (11)Integrated boot diode; (12)Integrated soft-start; (13)Fully WEBENCH?enabled; (14)Step-down and inverting buck-boost applications.
Diagrams

| Image | Part No | Mfg | Description | ![]() |
Pricing (USD) |
Quantity | ||||||||||
|---|---|---|---|---|---|---|---|---|---|---|---|---|---|---|---|---|
![]() |
![]() LM22676MRX-ADJ/NOPB |
![]() National Semiconductor (TI) |
![]() Switching Converters, Regulators & Controllers |
![]() Data Sheet |
![]()
|
|
||||||||||
| Image | Part No | Mfg | Description | ![]() |
Pricing (USD) |
Quantity | ||||||||||
![]() |
![]() LM2202 |
![]() Other |
![]() |
![]() Data Sheet |
![]() Negotiable |
|
||||||||||
![]() |
![]() LM2202M |
![]() |
![]() IC VIDEO AMP SYSTEM 20-SOIC |
![]() Data Sheet |
![]() Negotiable |
|
||||||||||
![]() |
![]() LM2202MX |
![]() |
![]() IC VIDEO AMP SYS 230MHZ 20-SOIC |
![]() Data Sheet |
![]() Negotiable |
|
||||||||||
![]() |
![]() LM2202N |
![]() |
![]() IC VIDEO AMP SYSTEM 20-DIP |
![]() Data Sheet |
![]() Negotiable |
|
||||||||||
![]() |
![]() LM221 |
![]() Other |
![]() |
![]() Data Sheet |
![]() Negotiable |
|
||||||||||
![]() |
![]() LM224 |
![]() Other |
![]() |
![]() Data Sheet |
![]() Negotiable |
|
||||||||||
(China (Mainland))












