Product Summary
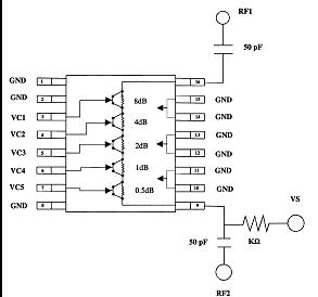
The MAATSS0001TR is a 0.5 dB step GaAs MMIC digital attenuator with 15.5 dB dynamic range in a low cost QSOP-16 (SSOP-16) package. The MAATSS0001TR requires external DC blocking capacitors on the RF ports, positive supply voltage and five individual bit control voltages. The MAATSS0001TR is particualarky suited where high attenuation accuracy, low insertion loss and low intermodulation products are required. Typical applications of the MAATSS0001TR include base stations, wireless data,
and wireless local loop gain level control circuits.
Parametrics
MAATSS0001TR absolute maximum ratings: (1) Max Input Power, 0.5 - 2.5GHz: +34dBm; (2) Operating Temperature : -40 to +85°C; (3) Storage Temperature: -65 to +150°C.
Features
MAATSS0001TR features: (1) 5 Bits, 0.5 dB Steps; (2) Excellent Accuracy; (3) Single Positive Control (+3 to +5V) ; (4) Small Low Cost QSOP-16 (SSOP-16) Package.
Diagrams

![]() |
![]() MAATSS0015TR |
![]() M/A-COM Technology Solutions |
![]() Active Attenuator DC-2GHz 4 Bit 1dB steps to 15dB |
![]() Data Sheet |
![]()
|
|
||||||||||||||
![]() |
![]() MAATSS0017TR |
![]() M/A-COM Technology Solutions |
![]() Attenuators (ICs) 400-2500MHz IL2.2dB Atten. Range 15.5dB |
![]() Data Sheet |
![]()
|
|
||||||||||||||
![]() |
![]() MAATSS0018TR-3000 |
![]() M/A-COM Technology Solutions |
![]() Active Attenuator DC-2GHz 1 Bit Single 10dB Step |
![]() Data Sheet |
![]()
|
|
||||||||||||||
![]() |
![]() MAATSS0020TR |
![]() M/A-COM Technology Solutions |
![]() Attenuators (ICs) DC-2GHz IL 2.2dB Atten. Range 31dB |
![]() Data Sheet |
![]()
|
|
||||||||||||||
![]() |
![]() MAATSS0002 |
![]() Other |
![]() |
![]() Data Sheet |
![]() Negotiable |
|
||||||||||||||
![]() |
![]() MAATSS0001 |
![]() Other |
![]() |
![]() Data Sheet |
![]() Negotiable |
|
||||||||||||||
(China (Mainland))









