Product Summary
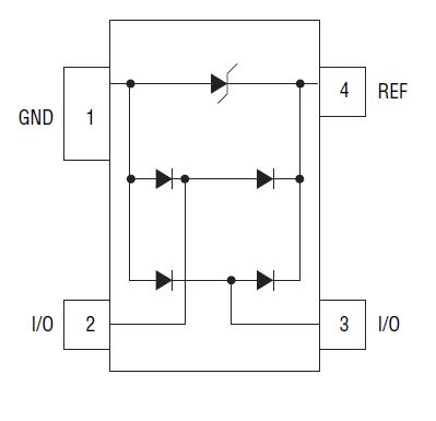
The CD143A-SR05 is a 12-Steering/TVS Diode Array provides ESD, EFT and surges protection for the external ports of portable electronic devices such as cell phones, handheld electronics and personal computers. The ESD protection provided by the component enables a data port to withstand a minimum ±8 KV Contact / ±15 KV Air Discharge per the ESD test method specified in IEC 61000-4-2. The CD143A-SR05 measures 2.80 mm x 1.20 mm and is available in a SOT-143 package intended to be mounted directly onto an FR4 printed circuit board. The applications of the CD143A-SR05 include Ethernet - 10/100/1000 Base T, Firewire and USB, Portable electronics, Video/graphic cards.
Parametrics
CD143A-SR05 absolute maximum ratings: (1)Peak Pulse Power (tp = 8/20 μs), PPP: 500 W; (2)Peak Pulse Current (tp = 8/20 μs), IPP: 30 A; (3)Operating Temperature, TJ: -55℃ to 150℃; (4)Storage Temperature, TSTG: -55℃ to 150℃; (5)Forward Surge Rating (10 mA, 50 μs @ 25℃), VF: 1.5 V.
Features
CD143A-SR05 features: (1)Lead free as standard; (2)RoHS compliant; (3)ESD protection >25 kV; (4)Protects Vcc and two data lines.
Diagrams

| Image | Part No | Mfg | Description | ![]() |
Pricing (USD) |
Quantity | ||||||||||||
|---|---|---|---|---|---|---|---|---|---|---|---|---|---|---|---|---|---|---|
![]() |
![]() CD143A-SR05 |
![]() Bourns |
![]() TVS Diode Arrays SOT 143 5V 500W Low Capacitance |
![]() Data Sheet |
![]()
|
|
||||||||||||
![]() |
![]() CD143A-SR05LC |
![]() Bourns |
![]() TVS Diode Arrays Steering Diode Array |
![]() Data Sheet |
![]()
|
|
||||||||||||
(China (Mainland))









