Product Summary
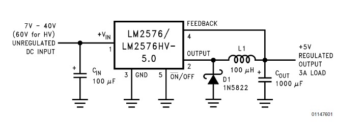
The LM2576HVSX-ADJ/NOPB is a regulator. The LM2576HVSX-ADJ/NOPB is monolithic integrated circuits that provide all the active functions for a step-down (buck) switching regulator, capable of driving 3A load with excellent line and load regulation. The LM2576HVSX-ADJ/NOPB is available in fixed output voltages of 3.3V, 5V, 12V, 15V, and an adjustable output version. Requiring a minimum number of external components, these regulators are simple to use and include internal frequency compensation and a fixed-frequency oscillator. The LM2576HVSX-ADJ/NOPB offers a high-efficiency replacement for popular three-terminal linear regulators. It substantially reduces the size of the heat sink, and in some cases no heat sink is required.
Parametrics
LM2576HVSX-ADJ/NOPB absolute maximum ratings: (1)Maximum Supply Voltage: 63V; (2)ON /OFF Pin Input Voltage: -0.3V ≤ V ≤ +VIN; (3)Output Voltage to Ground (Steady State): -1V; (4)Power Dissipation: Internally Limited; (5)Storage Temperature Range: -65℃ to +150℃; (6)Maximum Junction Temperature: 150℃.
Features
LM2576HVSX-ADJ/NOPB features: (1)3.3V, 5V, 12V, 15V, and adjustable output versions; (2)Adjustable versiooutput voltage range, 1.23V to 37V (57V for HV version)±4% max over line and load conditions; (3)Guaranteed 3A output current; (4)Wide input voltage range, 40V up to 60V for HV version; (5)Requires only 4 external components; (6)52 kHz fixed frequency internal oscillator; (7)TTL shutdowcapability, low power standby mode; (8)High efficiency; (9)Uses readily available standard inductors; (10)Thermal shutdowand current limit protection; (11)P+ Product Enhancement tested.
Diagrams

| Image | Part No | Mfg | Description | ![]() |
Pricing (USD) |
Quantity | ||||||||||||||
|---|---|---|---|---|---|---|---|---|---|---|---|---|---|---|---|---|---|---|---|---|
![]() |
![]() LM2576HVSX-ADJ/NOPB |
![]() National Semiconductor (TI) |
![]() Switching Converters, Regulators & Controllers 3A STEP-DOWN VLTG REG |
![]() Data Sheet |
![]()
|
|
||||||||||||||
| Image | Part No | Mfg | Description | ![]() |
Pricing (USD) |
Quantity | ||||||||||||||
![]() |
![]() LM250 |
![]() Other |
![]() |
![]() Data Sheet |
![]() Negotiable |
|
||||||||||||||
![]() |
![]() LM25005EVAL |
![]() National Semiconductor (TI) |
![]() Power Management IC Development Tools LM25005 EVAL BOARD |
![]() Data Sheet |
![]()
|
|
||||||||||||||
![]() |
![]() LM25005MH |
![]() National Semiconductor (TI) |
![]() Switching Converters, Regulators & Controllers |
![]() Data Sheet |
![]()
|
|
||||||||||||||
![]() |
![]() LM25005MH/NOPB |
![]() National Semiconductor (TI) |
![]() DC/DC Switching Regulators 42V,2.5A STEP-DOWN SWITCHING REG |
![]() Data Sheet |
![]()
|
|
||||||||||||||
![]() |
![]() LM25005MHX |
![]() National Semiconductor (TI) |
![]() Switching Converters, Regulators & Controllers |
![]() Data Sheet |
![]()
|
|
||||||||||||||
![]() |
![]() LM25005MHX/NOPB |
![]() National Semiconductor (TI) |
![]() Switching Converters, Regulators & Controllers |
![]() Data Sheet |
![]()
|
|
||||||||||||||
(China (Mainland))










