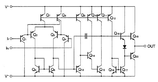
Product Summary
The UPC842G2-E2-A is a dual high speed, wide band opera­tional amplifier designed for single supply operation from +3 V to +32 V with low supply current drain. By using high speed PNP transistors for input and output circuits, the excellent AC performance is achieved without degrading capacitive load drive capability. With no crossover distortion and wide output voltage range characteristics, the UPC842G2-E2-A is optimum choice for single supply AC amplifier, and active filters
Parametrics
UPC842G2-E2-A absolute maximum ratings: (1)Voltage between V+ and V~: -0.3 to +36V; (2)Differential Input Voltage VlD: ±36V; (3)Input Voltage Vi: V--0.3 to V- +36V; (4)Output Voltage Vo: V--0.3 to V+ +0.3V; (5)Power Dissipation Pt: 350mW; (6)Operating Ambient Temperature Ta: -40 to +85°C; (7)Storage Temperature Tstg: -55 to + 125°C.
Features
UPC842G2-E2-A features: (1)High slew rate: 7 V/^s TYP. (V+ = +5 V, V~ = GND); (2)Wide gain band width product: 3.5 MHz TYP. (V+ = +5 V, V-= GND); (3)Wide supply voltage range: +3 V to +32 V; (4)Wide output voltage swing; (5)Common mode input voltage range includes V-; (6)Internal frequency compensation; (7)Output short circuit protection.
Diagrams

![]() |
![]() UPC8101GR |
![]() Other |
![]() |
![]() Data Sheet |
![]() Negotiable |
|
||||
![]() |
![]() UPC8103T |
![]() Other |
![]() |
![]() Data Sheet |
![]() Negotiable |
|
||||
![]() |
![]() UPC8104GR-E1 |
![]() CEL |
![]() Up-Down Converters Up/Down Freq Conv |
![]() Data Sheet |
![]() Negotiable |
|
||||
![]() |
![]() UPC8105GR |
![]() Other |
![]() |
![]() Data Sheet |
![]() Negotiable |
|
||||
![]() |
![]() UPC8105GR-E1 |
![]() CEL |
![]() Modulator / Demodulator SO-16 QUAD MOD |
![]() Data Sheet |
![]() Negotiable |
|
||||
![]() |
![]() UPC8106T |
![]() Other |
![]() |
![]() Data Sheet |
![]() Negotiable |
|
||||
(China (Mainland))








